jr7cwk;lavo

▼PC車載用DC-DC>実装

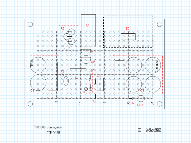
 サンハヤトのICB-88に全回路を実装。
 (実装状態は本記事TOPの写真参照)

 放熱器
  Q3は現時点は省略
  D3には小型の放熱器を取り付け
  (いずれも長時間使用して発熱が酷いようなら変更予定)

 Lは仮設。(どちらが良いな見極めが出来ていないので)

 ヒューズは基板外部に5Aのものを接続。


●画像 ( )
●2011.10.19
●cwk
編集


コメントを書く
記事へ
HOME

copyright/jr7cwk

powered by samidare