jr7cwk;lavo
▼新VOLUME AMP>STEREO化(利得低減版)
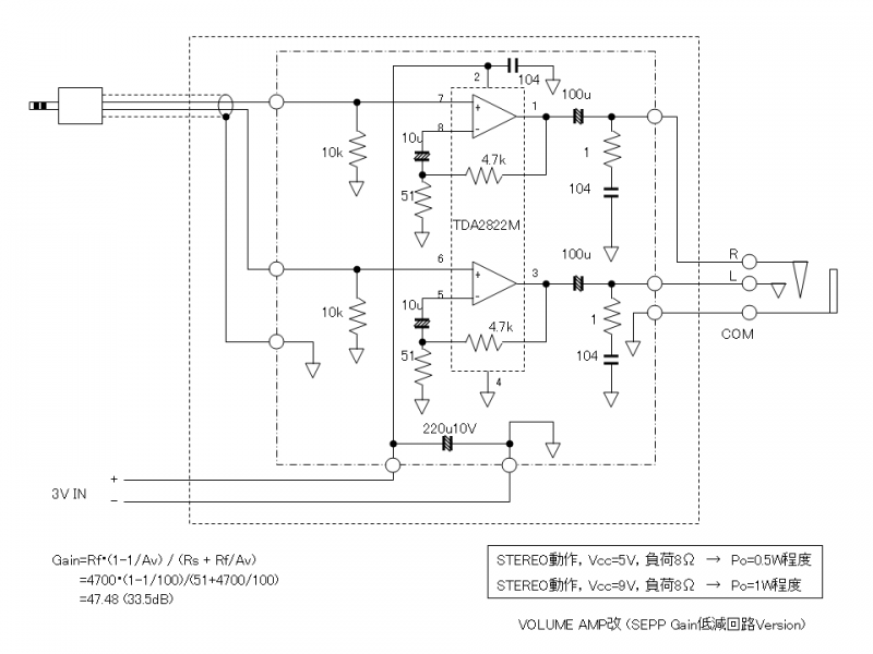
SEPP版STEREO化の利得低減版。
回路そのものは、NJM2073のデータシートの「利得低減方法モデル」の回路と変わりはない。
ただし、帰還回路の抵抗は前記「簡易式」により算出した値で、利得は34dB程を狙ったつもり。
●画像 (
大
中
小
)
●2011.10.08
●cwk
●
編集
→
コメントを書く
⇒
記事へ
⇒
HOME
copyright/jr7cwk
powered by
samidare